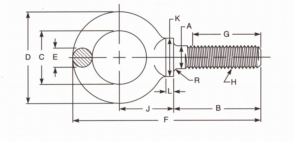
ASME B18.15 1985(R 1995)

Shoulder Pattern Eyebolts
Relevant suppliers

Tell me what you see in "Golden Spider" and will give you a discount

ZHEJIANG MINMETALS HUITONG IMPORT & EXPORT CO., LTD.
We can produce fasteners of full types and specifications, the standards include DIN, ANSI, JIS, BSI and so on. The main products: hex nuts,square nut,hex head bolt,carriage bolt,roofing screws,plain washers,spring washers,machine screws,self-tapping screws bolts, nuts, hardened washers, Spring Lockwashers, self drilling screws, tapping screw, brass wood screw, brass machine screw
country:China Tel:
QIFENG PRECISION INDUSTRY SCI-TECH CORP.
railway fasteners: screw spikes, track bolts non-standard fasteners: U bolt,square bolts, wheel bolts, special bolts and screws, drive screws standard fasteners: ANSI/ASME B18.5 1990,DIN6914, ANSI/ASME B18.2.1 1996, DIN571,square bolts, hex bolts, wood screws, eye bolts,hex head screws, hex lag screws, round head square neck bolts, hex nuts stamping parts: pipes & hooks, hose clamp, welded stampings, clamps kit punching piece, cooling extrusion of cooling and heating, mechanical processing, non-standard piece, which are consistent with GB, DIN, ANSI and JIS, products of various specifications and max length of 1500mm.
country:China Tel:
Nanjing Yuan Tuo Tech Co, Ltd
pin shafts, plug screw connectors, engineering bolts and nuts, and T-shaped bolts,automotivefasteners,standered fasteners,washers, ratchet buckles
country:China Tel:
WENZHOU GAOKE FASTENINGS CO.,LTD.
Mainly produces the German sign, GB code, the British system, the US standard, the cerebrum horse-drawn vehicle, outside the concave brain even brain the cloud angle, doubleheader the spiral, T, coolers and other bolts, nuts, has custom-made product and so on each kind of non- standard letter.
country:China Tel:
None
None
country:China Tel:
tangshanshi xinta fastener
None
country:china tangshan Tel:
HANDAN JINGGONG BUILDING ANCHORAGE MANUFACTUBE CO., LTD.
sleeve anchor, wedge anchor,hammer drive anchor, shield anchor, drop in anchor,thread rod,bolts and nuts,drywall screw,self drilling screw and so on.
country:China Tel:
Shaoxing KDM Machinery Co., Ltd
We specialize in: -Cold forged nonstandard and special fasteners, precision components -Hot forged special fasteners -Turned parts, stamped parts, rubber parts, plastic parts -Total fastener solution to vast industries flane bolt eye bolt
country:P.R. China Tel:
Ningbo United International Co.,Ltd
FASTENER: nut,bolt,washer,stud,stainless steel,auto fasteners MACHINE: Cutting Machine,Heating Machine, Punch Machine,Hydraulic Pressure,Auto Chamfering Machine,Thread Rolling Machine,Tapping Machine,Heat Treatment Machine,Cooling Tower,Salt spry tester
country:China Tel:
Dongguan King Tower Hardware Co., Ltd.
Screws, self-tapping screws, axle, lock screws, automotive turning parts, screw drivers, toy axles, machine screws, machining, aluminum screws, stainless steel screws, brass screws, security screws, electronic screws, precision screws,hardware screws,nails nylon screws,wrench, lathe parts, turning screws,washers,bolts,nuts,screws, rivets
country:China Tel:
经营许可证编号:粤B2-20210752号丨备案号:粤ICP备09029740号
粤公网安备 44011102001662号
技术支持:广东金蜘蛛电脑网络有限公司
Golden Spider Network Co., Ltd.