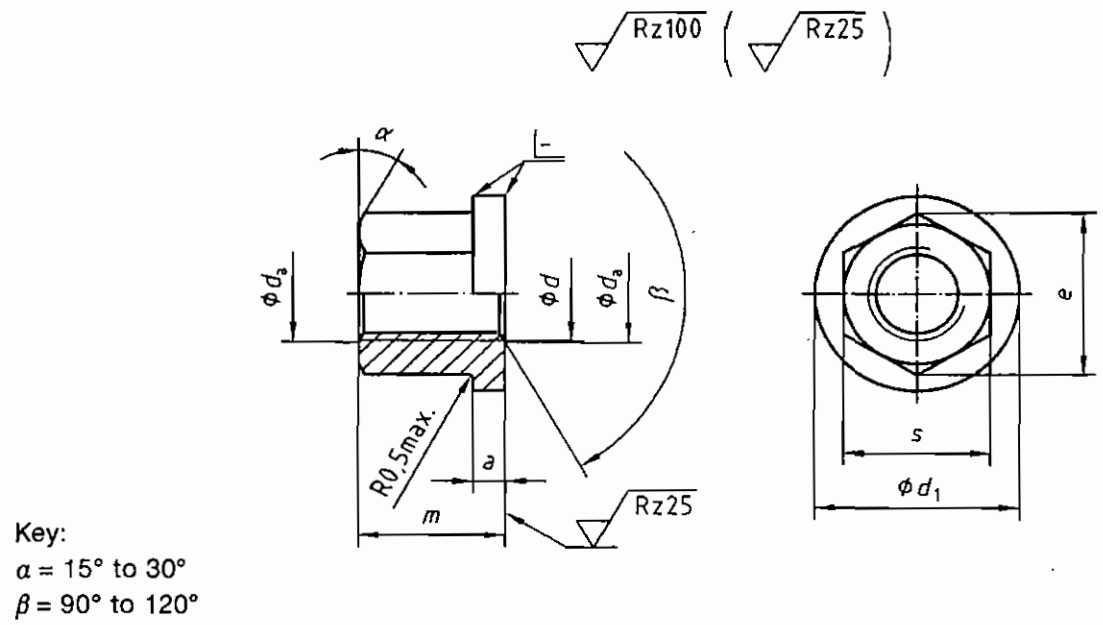
DIN 6331

Hexagon collar nuts with a height of 1.5d
Replace DIN 6331: 1941-01, 1962-07, 1965-03x, 1987-03, 1991-08.
Relevant suppliers

Tell me what you see in "Golden Spider" and will give you a discount

Roc-Master Piping Solutions Ltd.
Main products include Xylan® coated flange bolts, welded studs, pipe shoes, U bolts (with U-shaped parts in special composite materials resistant to high temperature and corrosion), pipe clamps, and sliding pipe supports, etc. Coating solutions include PTFE, Xylan, sheradizing, Zinc-Nickel, FBE, Hot dip galvanize, etc. Our products are widely used in Oil and Gas Long-distance pipeline, Petrochemical & Refinery, Offshore Platform, FPSO, Seawater desalination, Nuclear, Power, Hydrogen energy, etc.
Country/Region:China Tel: 86-21-34304280;+86-13301881506
Wenzhou Jinsheng Fastener Co., Ltd.
nylon insert lock nuts-DIN985,DIN982,ANSI,BS,GB889,cap nuts one piece type-DIN1587, flange nuts-DIN6923,IFI D-21,JIS B1190,hex nuts-DIN934,weld nuts-JIS B1196,DIN928,DIN929,wing nuts,slotted nuts,T-nuts,tube sets and non-standard fasteners
Country/Region:China Tel: +86-577-86352209
Pinghu Huaye Fasteners Co., Ltd.
Have: DIN6923(GB6177), DIN6331, IFI145 ,JIS1190,DIN980,DIN6926,GB6187,GB6183,DIN929,DIN928 and so on.
Country/Region:China Tel: 0573-85084860,0573-85229068,0573-85229066
Haiyan Junyi Fastener Co., Ltd.
DIN934 M3-M60, ANSI 1/4-2, BS 5/32-2-1/2. DIN6823 Flange Nut, DIN985 Hex Nylon Lock Nut
Country/Region:China Tel: +86-573-86644535
Taizhou Feihua Auto Parts Co., Ltd.
Specialized in all kinds of slotted nuts, nuts, ball head and drag link
Country/Region:China Tel: 0576-87565568 13736638778
Ningbo Xiangxiang Large Fasteners Co.,Ltd.
high strength fastener,special parts,Stainless Steel,Automobile parts,GB.ASNI.DIN.BS.JIS.specializing in producing large size, high tensile fasteners(M20~M110, 1"~4"); special shaped,as well as those for Auto spare industry.
Country/Region:China Tel: 86 574 88338616
Zhejiang Yile Standard Component Manufacturing Co.,Ltd
Our products mainly include: Rivet nuts, Nylon insert lock nuts, Wing Nuts Series, Flange nuts Series, Weld Nuts Series, Locking nuts, Acorn nuts Series, Cone Nuts, Wheel Nuts Series, Hex Fin nuts Series, T-Nuts Series, Bulgy Nuts Series, Reflector Nuts Series , Square Nuts Series, Slotted Nuts Series, Special Nuts Series, Ball Head Of Motor Vehicles Windshield Wipers Series, Special Nuts Series,etc. They are widely used in automobile, motorcycle, machinery, electronic, architecture,furniture, etc.
Country/Region:China Tel: 0086-577-86523701,86505777
Haiyan County Fuxin High-Strength Fastener Factory
GB nuts, new GB nuts, DIN, ANSI products Specification: M6-M30
Country/Region:China Tel: None
Haining Zhongda Fastener Co.,Ltd.
Hot Forged Nuts Size:M27-100 1-4 Inch IFI,DIN,UNI,JIS,BS etc.
Country/Region:China Tel: None
Rui'an Fansheng Fasteners Co.,Ltd.
stainless steel nut stainless steel hexagon nut stainless steel hexagon flange nuts stainless steel self-locking nuts stainless steel hexagon domed cap Nuts GB802-88 Acorn Nuts GB39-88Square Nuts-product Grade C GB/T13681-92 hexagon weld nuts GB/T13680-92Square weld nuts Hex Socket Set Screws With Flat Point Hex Socket Set Screws With Taper Point Hex Socket Set Screws With Dog Point Hex Socket Set Screws With Cup Point
Country/Region:China Tel: 0577-65538111;15658618918
经营许可证编号:粤B2-20210752号丨备案号:粤ICP备09029740号
粤公网安备 44011102001662号
技术支持:广东金蜘蛛电脑网络有限公司
Golden Spider Network Co., Ltd.