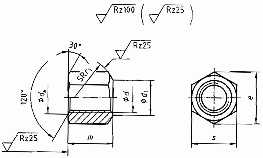
DIN 6330

Hexagon nuts with a height of 1.5d
Replace DIN 6330: 1941-01, 1943-10, 1962-07, 1962-09, 1965-03x, 1991-08.
Relevant suppliers

Tell me what you see in "Golden Spider" and will give you a discount

JINGLEFAST INDUSTRIAL CO., LTD.
HEX BOLT, HEX CAP SCREWS, HEX NUTS, CARRIAGE BOLT, HEX LAG SCREW, THREAD RODS HEX NUTS WITH STAMPING PRODUCTS FLAT WASHER AND SPRING LOCK WASHER
Country/Region:CHINA Tel: None
Roc-Master Piping Solutions Ltd.
Main products include Xylan® coated flange bolts, welded studs, pipe shoes, U bolts (with U-shaped parts in special composite materials resistant to high temperature and corrosion), pipe clamps, and sliding pipe supports, etc. Coating solutions include PTFE, Xylan, sheradizing, Zinc-Nickel, FBE, Hot dip galvanize, etc. Our products are widely used in Oil and Gas Long-distance pipeline, Petrochemical & Refinery, Offshore Platform, FPSO, Seawater desalination, Nuclear, Power, Hydrogen energy, etc.
Country/Region:China Tel: 86-21-34304280;+86-13301881506
Wenzhou Jinsheng Fastener Co., Ltd.
nylon insert lock nuts-DIN985,DIN982,ANSI,BS,GB889,cap nuts one piece type-DIN1587, flange nuts-DIN6923,IFI D-21,JIS B1190,hex nuts-DIN934,weld nuts-JIS B1196,DIN928,DIN929,wing nuts,slotted nuts,T-nuts,tube sets and non-standard fasteners
Country/Region:China Tel: +86-577-86352209
China W.T Fasteners Co., Ltd
Self drilling screws& Self tapping screw series, Hexagon bolts & nuts, Flange bolts & nuts, Foundation bolts, Sleeve anchor and Wedge anchors etc. Besides we can produce according to your design and drawings
Country/Region:China Tel: None
Haiyan Junyi Fastener Co., Ltd.
DIN934 M3-M60, ANSI 1/4-2, BS 5/32-2-1/2. DIN6823 Flange Nut, DIN985 Hex Nylon Lock Nut
Country/Region:China Tel: +86-573-86644535
Shanghai Qiangyi Fastener Co., Ltd.
DIN986,DIN1587,DIN928,DIN6926,DIN6923,DIN985, DIN982,JISB1183,JISB1196, JISB1190
Country/Region:China Tel: +86-21-57277525,+86-13636495290
Ningbo Xiangxiang Large Fasteners Co.,Ltd.
high strength fastener,special parts,Stainless Steel,Automobile parts,GB.ASNI.DIN.BS.JIS.specializing in producing large size, high tensile fasteners(M20~M110, 1"~4"); special shaped,as well as those for Auto spare industry.
Country/Region:China Tel: 86 574 88338616
SHANGHAI STUD INDUSTRIAL CO.,LTD.
Stud bolt,Bolt,Nut,hot forging parts,cold forging parts, stamping parts,and customized fasteners.
Country/Region:China Tel: 86-15800863335,86-21-51661240
Zhejiang Yile Standard Component Manufacturing Co.,Ltd
Our products mainly include: Rivet nuts, Nylon insert lock nuts, Wing Nuts Series, Flange nuts Series, Weld Nuts Series, Locking nuts, Acorn nuts Series, Cone Nuts, Wheel Nuts Series, Hex Fin nuts Series, T-Nuts Series, Bulgy Nuts Series, Reflector Nuts Series , Square Nuts Series, Slotted Nuts Series, Special Nuts Series, Ball Head Of Motor Vehicles Windshield Wipers Series, Special Nuts Series,etc. They are widely used in automobile, motorcycle, machinery, electronic, architecture,furniture, etc.
Country/Region:China Tel: 0086-577-86523701,86505777
Wuhu Zhaohe Auto Parts Technology Co., Ltd.
Wuhu Zhaohe Auto Parts Technology Co., Ltd. is a comprehensive enterprise integrating R & D, production and sales. Mainly produces stainless steel fasteners in various fields such as automotive, electrical, new energy, household appliances, machinery manufacturing, etc. Our products mainly include: National standard (GB). German standard (DIN). American standard (AISI). Japanese standard (JIS) and other series of nuts, screws and various non-standard parts, product specifications from M2 to M20, the products are well received by customers. After years of development, the company has imported a full set of multi-station stainless steel fastener cold heading production equipment from Taiwan. Accurate market positioning. Excellent product quality, adhere to a pragmatic basis, and accumulate a lot of rich experience through continuous practice. Because our products have the advantages of reliable quality, high output and timely delivery, they also enjoy a good reputation among their peers. Looking forward to the future. Zhaohe is accelerating its progress in innovation. Zhaohe adheres to the business philosophy of "quality first, customers first". We take customer needs as our focus and adhere to the principle of integrity. Provide customers with First-class technology ,first-class products and first-class service. Facing the trend of global economic integration, the company insists on "setting the industry benchmark. Let Zhaohe's products go to the world!" The company is willing to uphold the core values of "responsibility, integrity, innovation, hard work, win-win and harmony. We will strengthen the confidence of winning the "I think I can", continue to surpass, create greater glory, and make new contributions to the development and prosperity of social economy.
Country/Region:China Tel: 0553-8122988 18606661199
经营许可证编号:粤B2-20210752号丨备案号:粤ICP备09029740号
粤公网安备 44011102001662号
技术支持:广东金蜘蛛电脑网络有限公司
Golden Spider Network Co., Ltd.