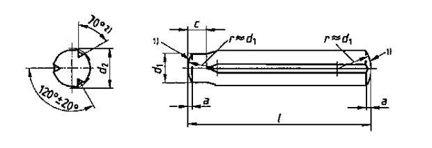
DIN EN ISO 8739

Grooved pins, full - length parallel grooved, with pilot (ISO 8739:1997)
Replace DIN 1470:1961-12,1978-11;DIN 7978:1956-08,1963-06,1977-02;DIN EN 28739:1992-10
Relevant suppliers

Tell me what you see in "Golden Spider" and will give you a discount

YOLORD HARDWARE CO.,LTD
None
Country/Region:china Tel: None
Wenzhou Xionglian Hardware Machinery Co., Ltd.
Dowel pins, clevis pins, spring pins, taper pins, grooved pins, split pins, keys, washers, circlips DIN1 DIN7 DIN94 DIN6325 DIN7979 DIN7978 DIN258 DIN1435 DIN1444 DIN1481 DIN1470 DIN1471 DIN1472 DIN1473 DIN1475 DIN1476 DIN1477 DIN6885 DIN6888 ISO8734 ISO2341 ISO8752
Country/Region:China Tel: +86-0577-88632648
Shanghai Donghai Standard Parts Co.,ltd
pins; rollers, needles;double end studs; shafts and pins with requirements of surface roughness.
Country/Region:China Tel: 862168266553
Dg Kaichen Hardware Co,.Ltd
cold forged moulds.punch.die ejector pin. drill and bushes
Country/Region:China Tel: 86-769-83194505
经营许可证编号:粤B2-20210752号丨备案号:粤ICP备09029740号
粤公网安备 44011102001662号
技术支持:广东金蜘蛛电脑网络有限公司
Golden Spider Network Co., Ltd.