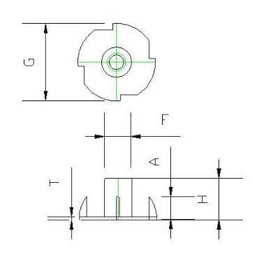
DIN1624

Tee Nut
Relevant suppliers

Tell me what you see in "Golden Spider" and will give you a discount

Jiangsu Chaoyue Stainless Steel Products Co.,Ltd.
Professional production: stud, teeth, U bolt, chemical bolts, a pin shaft, pipe fittings, metal stamping parts, marble pendant, embedded parts, precision non-standard parts Perennial spot supply:304316six horn screw, inner six angle screws, live section screws, carriage screws, machine screws, six angle nut, locking nut, Ping mats, cushion, teeth, rivets, screw rings, rings nut, pin, cylinder pin
Country/Region:China Tel: 86-523-83980296
HQ Fasteners
Bolts, Nuts, Washers, Pins, Rivets, Screws etc.
Country/Region:China Tel: 1-604-725-0384
Foshan Zhengli Hardwares Co., Ltd.
stainless steel screw,set screw,screw with ANSI,expasion bolt,thumb screw,stub,nut,cap nut,stainless nut,nut with ANSI,thumb nut,nylon nut,hex screw,machine screw,washer
Country/Region:GuangdongGuangZhou Tel: +86-0757/020- 89953539 89953568
Dongguan kaiyang Hardware & Machine Co., Ltd.
Furniture hardware fittings, Light hardware fittings, Bicycle part and accessories, K-lock nut, Nylon lock nut, conical nut, micro hex nut and customized non-standard fasteners. Material includes:carbon steel, stainless steel, aluminum alloy
Country/Region:China Tel: +86-13416787909
Zhuji Tiansheng Standard Components Factory
Cold forged stainless steel, cooper, steel wing nuts, wing screw, T-screws, thumb screws, sheet iron stamped nuts, furniture nuts, cage nuts, etc. The products are strictly conformed to the standards of GB, DIN, BS, ANSI and JIS.
Country/Region:China Tel: 15968519293
Zhejiang Bullet Fastener Co., Ltd.
We manufacture nylon insert lock nuts, cap nuts, flange nuts, flange lock nuts, hex nuts, fittings accordingto DIN, ANSI, GB, JIS, BS standard and other non-standard fasteners.
Country/Region:China Tel: 0086 577 85859778
None
None
Country/Region:China Tel: None
Jiaxing Deyi Hardware Co.,Ltd
tee nut,wing nut ,nail plate,weld nut,T-nut,welding nut,cage nut,;clip nut,claw nut,non-standard hardware,special hardware,furniture nut,hardware .corner brace, stamping part ,insert nut,wood nut,DIN1624,T nut with 4 prong .hex bolt.DIN933. DIN931
Country/Region:China Tel: +86-573-82307238
Jiangsu Hengxing Non-Standard Fastener Co., Ltd.
None
Country/Region:China Tel: 13775715362
经营许可证编号:粤B2-20210752号丨备案号:粤ICP备09029740号
粤公网安备 44011102001662号
技术支持:广东金蜘蛛电脑网络有限公司
Golden Spider Network Co., Ltd.