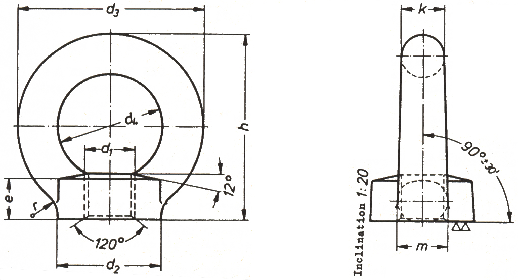
DIN 582

Lifting eye nuts
Relevant suppliers

Tell me what you see in "Golden Spider" and will give you a discount

hotwail
None
Country/Region:China Tel: None
Shanghai JiTian Fastener Co., Ltd.
None
Country/Region:china Tel: None
Roc-Master Piping Solutions Ltd.
Main products include Xylan® coated flange bolts, welded studs, pipe shoes, U bolts (with U-shaped parts in special composite materials resistant to high temperature and corrosion), pipe clamps, and sliding pipe supports, etc. Coating solutions include PTFE, Xylan, sheradizing, Zinc-Nickel, FBE, Hot dip galvanize, etc. Our products are widely used in Oil and Gas Long-distance pipeline, Petrochemical & Refinery, Offshore Platform, FPSO, Seawater desalination, Nuclear, Power, Hydrogen energy, etc.
Country/Region:China Tel: 86-21-34304280;+86-13301881506
Pinghu Xiongfeng Hardware Products Co., Ltd.
Nuts: eye nuts, hex flange nuts, cap nuts, four claw nuts and brass nuts. Washers: square washers, external tooth washers, taper washer, chamfered washer and brass washer. hexagon spanner, eye bolts
Country/Region:China Tel: 0086-573-85921338,85930578
Yuyao Jianhui Hardware Manufacture Co., Ltd
Anchor,screws,bolts,nuts,and non-standard.
Country/Region:China Tel: None
Muking Heavy Truck Accessories(Nantong)Co.,Ltd.
inner wheel nut,inner cap nut,inner nut,flange wheel nut,flange cap nut,two piece wheel nut,outer wheel nut,outer cap nut,wheel nut,wheel bolt,wheel studs,hub bolt Flange wheel nut, DIN74361 two pcs wheel nut,DIN74361 inner wheel nut,DIN74361 outer wheel nut,DIN74361 wheel bolt, hub bolt、 Nylon nut, DIN 985, DIN982 Hex Nut , DIN934 2H Hex nut Center bolt Flange nut, DIN 6923 DIN 1587, DIN 5587
Country/Region:CHINA Tel: 86-513-87595688
Shanghai Qiangyi Fastener Co., Ltd.
DIN986,DIN1587,DIN928,DIN6926,DIN6923,DIN985, DIN982,JISB1183,JISB1196, JISB1190
Country/Region:China Tel: +86-21-57277525,+86-13636495290
Ningbo Xiangxiang Large Fasteners Co.,Ltd.
high strength fastener,special parts,Stainless Steel,Automobile parts,GB.ASNI.DIN.BS.JIS.specializing in producing large size, high tensile fasteners(M20~M110, 1"~4"); special shaped,as well as those for Auto spare industry.
Country/Region:China Tel: 86 574 88338616
Zhejiang Yile Standard Component Manufacturing Co.,Ltd
Our products mainly include: Rivet nuts, Nylon insert lock nuts, Wing Nuts Series, Flange nuts Series, Weld Nuts Series, Locking nuts, Acorn nuts Series, Cone Nuts, Wheel Nuts Series, Hex Fin nuts Series, T-Nuts Series, Bulgy Nuts Series, Reflector Nuts Series , Square Nuts Series, Slotted Nuts Series, Special Nuts Series, Ball Head Of Motor Vehicles Windshield Wipers Series, Special Nuts Series,etc. They are widely used in automobile, motorcycle, machinery, electronic, architecture,furniture, etc.
Country/Region:China Tel: 0086-577-86523701,86505777
WASI(SHANGHAI)FASTENER CO,.LTD
Main products: Fastener of steinless steel: Screw, Nut, Washer, Pin, Wood Screw, Tapping Screw, Rivet, etc. Maritim: Steinless steel chain, Block, Turnbuckle, Spring Hook, Anchor, Wire Rope, Deck Equipment, ect. Solar: Mounting Rail, Connection Bracket, Clamp, Security Screw with Shear Head, Profile Connector, Roof Hook, ect. Non-Standard: Machinery Foot, Levelling Adjuster HVE, and so on.
Country/Region:Shanghai China Tel: 021-33836499-8004
经营许可证编号:粤B2-20210752号丨备案号:粤ICP备09029740号
粤公网安备 44011102001662号
技术支持:广东金蜘蛛电脑网络有限公司
Golden Spider Network Co., Ltd.