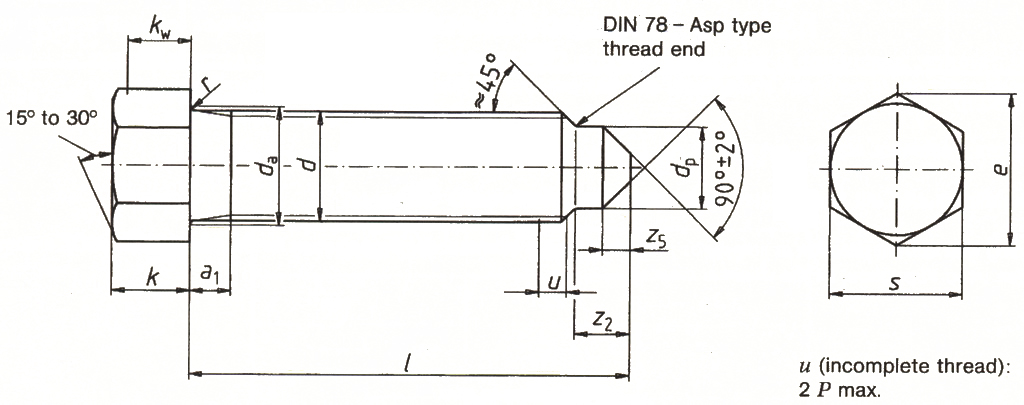
DIN 564

Hexagon set screws with small hexagon,half dog point and flat cone point
Relevant suppliers

Tell me what you see in "Golden Spider" and will give you a discount

ZHEJIANG MINMETALS HUITONG IMPORT & EXPORT CO., LTD.
We can produce fasteners of full types and specifications, the standards include DIN, ANSI, JIS, BSI and so on. The main products: hex nuts,square nut,hex head bolt,carriage bolt,roofing screws,plain washers,spring washers,machine screws,self-tapping screws bolts, nuts, hardened washers, Spring Lockwashers, self drilling screws, tapping screw, brass wood screw, brass machine screw
Country/Region:China Tel: +86-571-85775785,85775791
QIFENG PRECISION INDUSTRY SCI-TECH CORP.
railway fasteners: screw spikes, track bolts non-standard fasteners: U bolt,square bolts, wheel bolts, special bolts and screws, drive screws standard fasteners: ANSI/ASME B18.5 1990,DIN6914, ANSI/ASME B18.2.1 1996, DIN571,square bolts, hex bolts, wood screws, eye bolts,hex head screws, hex lag screws, round head square neck bolts, hex nuts stamping parts: pipes & hooks, hose clamp, welded stampings, clamps kit punching piece, cooling extrusion of cooling and heating, mechanical processing, non-standard piece, which are consistent with GB, DIN, ANSI and JIS, products of various specifications and max length of 1500mm.
Country/Region:China Tel: +86-573-86851456
QINGDAO RUITONG PRECISION HADWARE CO.,LTD
Company main products are high strength Stud Bolt, Bolt,Nut,Washer with wide range which are in accordance with the following standard:GB,DIN,ANSI/ASME,BS,JIS,H/HG,SH,JB ,ISO standard and other non-standard. Email:nwt338@sina.com
Country/Region:China Tel: None
JIAXING FUERTE MACHZNE MANUFA CTURE CO.,LTD
Drywall screws chip screws Chipboard screws Self drill screws
Country/Region: ZHEJIANG CHINA Tel: None
WENZHOU GAOKE FASTENINGS CO.,LTD.
Mainly produces the German sign, GB code, the British system, the US standard, the cerebrum horse-drawn vehicle, outside the concave brain even brain the cloud angle, doubleheader the spiral, T, coolers and other bolts, nuts, has custom-made product and so on each kind of non- standard letter.
Country/Region:China Tel: None
HUAHANG METAL SCREW FACTORY
Screws, bolts, nuts, washers, rods, studs and special metal parts as per customer's drawing or samples.
Country/Region:China Tel: None
Haiyan Rongji Standard Fasteners Co., Ltd.
Wood Screws, Lag Bolts, Concrete Screws,Carriage Bolts, Hexagon Bolts, U-Bolt, Double End Bolt, Drywall Screws, Lifting Eye Bolts
Country/Region:China Tel: None
Nanjing Yuan Tuo Tech Co, Ltd
pin shafts, plug screw connectors, engineering bolts and nuts, and T-shaped bolts,automotivefasteners,standered fasteners,washers, ratchet buckles
Country/Region:China Tel: None
ZHEJIANG CHAOBOER HARDWARE CO., LTD.
DIN/ASME/IFI/GB/AS Standard: Hex Bolt, Carriage Bolt, Hex Flange Bolt, Hex Socket Head Bolt, Bolt & Screw, and Non-Standard Bolts. Dia from M5 To M30(1/4" To1"), length: from 8mm To 300mm. 1. hex bolt2. carriage bolt3. hex flange bolt4. hex socket head bolt5. guardrail bolt6. heavy hex bolt7. square head bolt8. stamping9. hex nut10.coulping nut
Country/Region:China Tel: 86-573-86408568,86-573-86408168,86-573-86570788,86-573-86570782
Haiyan Hongrun Fasteners Co., Ltd.
Haiyan Hongrun Fastener Co., Ltd is a professional manufacture of producing 4.8, 8.8, 10.9 and 12.9 of the hexagonal flange bolt (including Prevent slippery tooth flange screws, wheel hub screw and Seat belt screw), high strength auto distribution fasteners and other kinds of non-standard special items.
Country/Region:china Tel: +86-573-86806666
经营许可证编号:粤B2-20210752号丨备案号:粤ICP备09029740号
粤公网安备 44011102001662号
技术支持:广东金蜘蛛电脑网络有限公司
Golden Spider Network Co., Ltd.