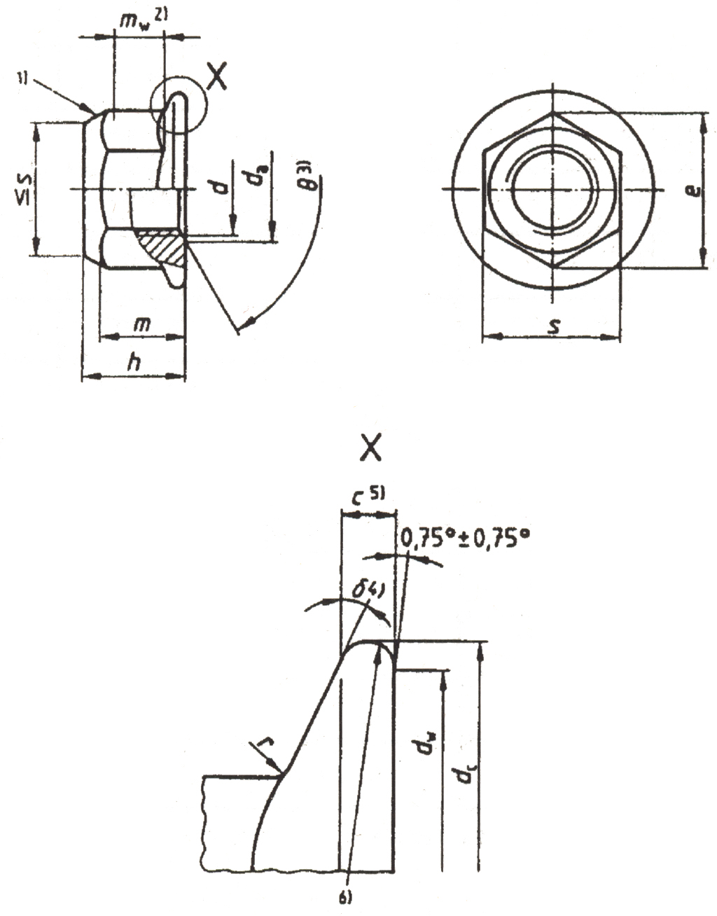
DIN EN 1667

Prevailing torque type all-metal hexagon nuts with flange with metric fine pitch thread (ISO 12126:1997,modified)
Replace DIN 6927
Relevant suppliers

Tell me what you see in "Golden Spider" and will give you a discount

Shanghai JiTian Fastener Co., Ltd.
None
Country/Region:china Tel: None
hotwail
None
Country/Region:China Tel: None
Ningbo TongNa Machinery Technology limited company
Main products: High strength standard and non-standard parts for automobiles and motor-cycles, and others. Especially, wheel bolt,wheel nuts,flange bolts,flange nuts,hex head bolt,screws,self-tapping screws,hex nuts,anchor bolts,special fastener,etc. Main grade 8.8 and up.
Country/Region:China Tel: +86-574-88915038
Roc-Master Piping Solutions Ltd.
Main products include Xylan® coated flange bolts, welded studs, pipe shoes, U bolts (with U-shaped parts in special composite materials resistant to high temperature and corrosion), pipe clamps, and sliding pipe supports, etc. Coating solutions include PTFE, Xylan, sheradizing, Zinc-Nickel, FBE, Hot dip galvanize, etc. Our products are widely used in Oil and Gas Long-distance pipeline, Petrochemical & Refinery, Offshore Platform, FPSO, Seawater desalination, Nuclear, Power, Hydrogen energy, etc.
Country/Region:China Tel: 86-21-34304280;+86-13301881506
Wenzhou Zhongsheng Fastener Co.,Ltd
We offer Hexagon Nuts Acorn nuts Nylon Lock Nuts Flange Nuts Metal Lock Nuts K Nuts Square Nuts Square weld nuts Hexagon spot welding nuts Wing Nuts welcome to contact us for any further question.
Country/Region:China Tel: None
Haiyan Junyi Fastener Co., Ltd.
DIN934 M3-M60, ANSI 1/4-2, BS 5/32-2-1/2. DIN6823 Flange Nut, DIN985 Hex Nylon Lock Nut
Country/Region:China Tel: +86-573-86644535
Muking Heavy Truck Accessories(Nantong)Co.,Ltd.
inner wheel nut,inner cap nut,inner nut,flange wheel nut,flange cap nut,two piece wheel nut,outer wheel nut,outer cap nut,wheel nut,wheel bolt,wheel studs,hub bolt Flange wheel nut, DIN74361 two pcs wheel nut,DIN74361 inner wheel nut,DIN74361 outer wheel nut,DIN74361 wheel bolt, hub bolt、 Nylon nut, DIN 985, DIN982 Hex Nut , DIN934 2H Hex nut Center bolt Flange nut, DIN 6923 DIN 1587, DIN 5587
Country/Region:CHINA Tel: 86-513-87595688
Shanghai Qiangyi Fastener Co., Ltd.
DIN986,DIN1587,DIN928,DIN6926,DIN6923,DIN985, DIN982,JISB1183,JISB1196, JISB1190
Country/Region:China Tel: +86-21-57277525,+86-13636495290
Pinghu Fangsheng Fasteners Co.,Ltd.
DIN934, DIN6923, DIN980, DIN929, DIN928, wheel nut, big hex flange nut, non-standard nuts
Country/Region:China Tel: +86-15858331168
Anhui Jiajun Hardware Co., Ltd.
GB, ISO, DIN, ANSI, BS, JIS nuts and various washers. We have 50 lathes and punches. We could process and produce various special parts as well.
Country/Region:CHINA Tel: None
经营许可证编号:粤B2-20210752号丨备案号:粤ICP备09029740号
粤公网安备 44011102001662号
技术支持:广东金蜘蛛电脑网络有限公司
Golden Spider Network Co., Ltd.