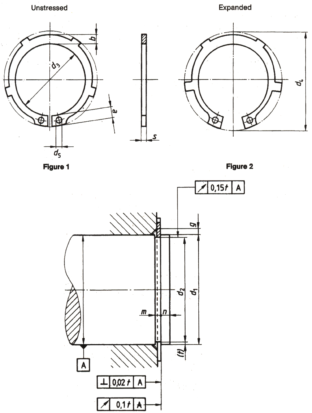
DIN 983

Retaining rings with lugs for use on shafts (external circlips)
Relevant suppliers

Tell me what you see in "Golden Spider" and will give you a discount

LEDA METAL CO., LTD.
It is specializing in the production of washers (stoppers, snap rings, cushion rings ) spring fasten articles, assembled screws and multi-functional screws.circlips,SEMS screws
Country/Region:CHINA Tel: +86-769-87919756,512-65015110
Shanghai Shangdian Washer Co., Ltd.
Products: kinds of washers (flat washer, spring washer, square taper washer, high-strength washer, wave spring washer, spring lock washer, square hole washer, conical spring washer, serrated lock washer, lock washer external teeth, round washer, and plastic washer), stamping parts and elastic components. Standard: GB, DIN, BS, ANSI, JIS, ISO; Surface Treatment: white zinc-plated, colored zinc-plated, nickel plating, imitation gold plating, silvering, brass plating, chroming, black zinc, black coating etc.
Country/Region:Shanghai Tel: 86-21-57317386, 57338737
HQ Fasteners
Bolts, Nuts, Washers, Pins, Rivets, Screws etc.
Country/Region:China Tel: 1-604-725-0384
Ruian City XinTai Fastener Co., Ltd.
We specialize in producing all kinds of fasteners, mainly including Washers, Retaining Rings and others fasteners. circlips for shafts,circlips for hole, wave washers,teeth washer,spring washers.
Country/Region:China Tel: 86-577-65350012
Shangyu Zhongbaotai Metals Co., Ltd.
The business scope mainly involves materials, processing, equipment and spare parts. Our main raw materials products include titanium rod, titanium tube, titanium plate, nickel rod, nickel tube, nickel plate, zirconium rod etc. Main manufactured goods are titanium bolts,titanium screws , nuts, washers, flanges and customized parts like turning and forging parts according to drawings. Currently the products have been widely used in the aerospace, shipbuilding, metallurgy, machinery and electronics, weapons, vehicles and other industries.all kinds of titanium standard fasteners including hex bolts, nuts, washers and non-standard fasteners.
Country/Region:China Tel: 0086-13819580328,0086-575-82121809
Wenzhou City Shennan Fastener Co. Ltd.
Our fasteners products are hex bolts, threaded rods, wood screws, High strength bolts , Hexagon Flange Bolt, Carriage Bolts, Machine Screws , hex nuts, flange nuts, cap nuts, nylon lock nuts, wing nuts, spring washers and plain washers , non-standard fasteners,etc. Standard: ISO, IFI, DIN, JIS, BS, GB, etc. Diameter: M3-M20 length:3MM-300MM Grade: 4.8, 5.8, 6.8, 8.8, 10.9, 12.9, etc.
Country/Region:The P.R.China Tel: 86-0577-85220553
Lederer Shanghai Fastener Trading Co., Ltd.
Lederer has been one of the leading suppliers of stainless steel fasteners for more than 40 years and offers more than 20,000 different articles direct from stock: - screws, pins, nuts, rings, washers - made from stainless steel, carbon steel and non-ferrous materials (A4-80、Duplex Stainless Steel) - standard and designed parts - DIN, EN, ISO and inhouse - special parts by drawings and special materials Lederer is big enough to realise even substantial and elaborate projects (we will be glad to provide references), and small enough to react quickly, flexibly and unbureaucratically to market and customer requirements.
Country/Region:China Tel: 86-21-54335280-101
Wuhu Qiangzhen Automobile Fasteners Co.,Ltd.
Snap Ring, circlips for shafts, E clips,circlips,hex head bolt,anchor bolts,motorcycle bolts, huck bolts,wheel bolt,carriage bolt,socket head bolt, hook bolt,hanger bolt,plow bolt,guardrail bolts, countersunk bolts,structural bolt, lag bolt, lock bolt,pan head bolt, stud bolt,square head bolts,track bolts,expansion bolts Standard bolt, screw ; Standard nut ; The high strength fastener Able to bear the falling type fastener; Making up type fastener; Welding type fastener; Axles fastener; Axle sleeve ; Heterotype fastener; Hoop ; Reed nut punching ;
Country/Region:China Tel: None
Dongtai Kim Dong Stainless Steel Products Factory
Stainless steel bolts, nuts, screws, clevis pin with head, non-standard parts
Country/Region:China Tel: 86-515-85926215
Ruian Jinfeng Standard Parts Manufacturing Co., Ltd.
Our production standards are the national standard, German standard, international standard, British standard, Japanese and Korean standards (GB, ANSI / ASME, ISO, DIN, JIS ...), we can according to your need to produce your required specifications and dimensions (non-standard).
Country/Region:China Tel: 86-66071227
经营许可证编号:粤B2-20210752号丨备案号:粤ICP备09029740号
粤公网安备 44011102001662号
技术支持:广东金蜘蛛电脑网络有限公司
Golden Spider Network Co., Ltd.